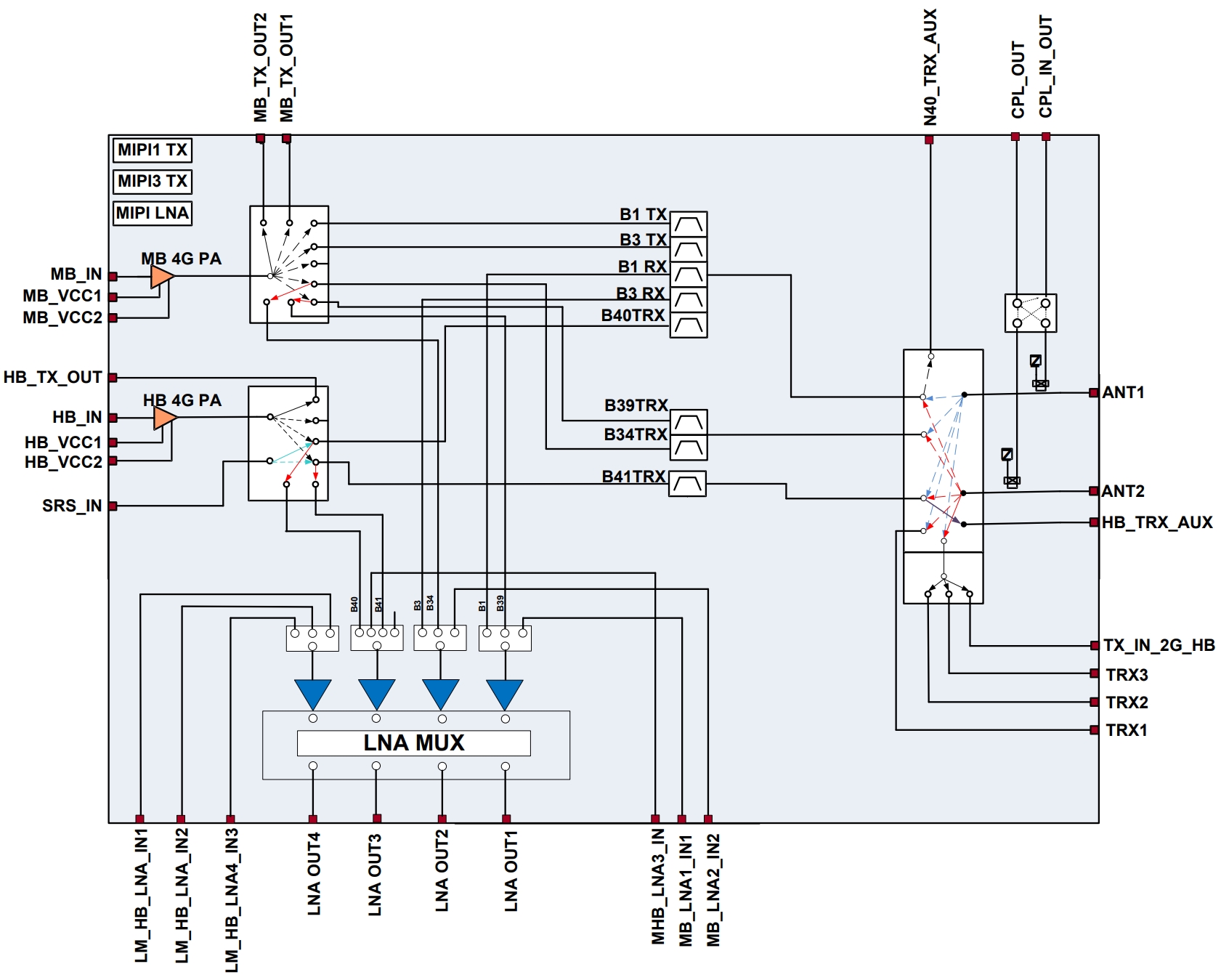
OM9288-32 is a multi-mode, high efficiency Mid Band and High Band L-PAMiD (LNA plus Power Amplifier Module with integrated Duplexers) module designed for use as the integrated RF front-end in multi-mode NR / LTE / UMTS / CDMA mobile cellular equipment. The high efficiency L-PAMiD contains power amplifier paths and LNAbank for 3G/4G/5G Mid and High Band frequencies along with distribution switches, multiplex filters, and antenna switches for multi-band coverage of both transmit and receive functions. The OM9288-32 band select, LNA gain and operating parameters are programmed through the Mobile Industry Processor Interface (MIPI) bus(es). The OM9288-32 transmit-receive module supports Average Power Tracking (APT) for application versatility combined with higher system efficiency across a wide range of power levels. The OM9288-32 is packaged in a RoHS-compliant, compact 62-pin, 6.5mm X 8.6mm X 0.8mm (max) surface-mount leadless package.
• Integrated LNAs, PAs, switches, duplexers, filters, and forward/reverse coupler.
• Integrated B1/3/4/34/38/39/40/41F, PA Aux B1/2/3/25/66/7/40/41 capability
• CA cases: 34+39 / 3+41 / 1+3/39+41 /DL 41D/UL 41C
• NR: N1/3/38/40/41F
• Support ENDC 3+41 / 39+41
• Support n41 PC2(160M) and PC3 at Aux and ANT
• Support n40 PC2 at Aux port only and PC3 at ANT
• Support B40+n41 case under B40 SUL condition
• Support n40/n41 SRS
• n40 support 2CC intra band contiguous ULCA 40M
• n41 support 2CC intra band contiguous ULCA 40M
• Support forward/reverse coupler, supporting CPL bypass
• RFFE interface: MIPI 2.1 for TX(including ASM), MIPI 3.0 for RX
• Integrated 6 LNA, with multi-gain modes, 6 LNAAux input
• Support LNA independent gain control for individual path
• Integration of ESD protection at Ant port
• With Self-shielding

• 2G/3G/4G/5G Multi-Mode Modems, Handsets, Data Cards or Wearable Devices
• High Performance Communication Systems
- GROUP5G L-PAMiD MHB
- FUNCTIONIntegrated MHB L-PAMiD Integrated Band 1, 3, 34, 39, 40, 41F Filters for Transmit and Receive
- PACKAGELGA 6.5×8.6×0.8mm